| |
|
表3 XYHZ6.3~XYHZ25装置尺寸 |
型号 |
L |
B |
H |
L1 |
B1 |
H1 |
接口螺纹 |
DN |
L2 |
L3 |
L4 |
L5 |
L6 |
L7 |
L8 |
出油口 |
排油口 |
入出水口 |
回油口 |
XYHZ6.3 |
1160 |
810 |
1060 |
950 |
650 |
660 |
G1/2 |
G1/2 |
G1/2 |
32 |
330 |
100 |
150 |
360 |
160 |
30 |
225 |
XYHZ10 |
XYHZ16 |
1650 |
994 |
1315 |
1300 |
800 |
820 |
G1 |
G1 |
G1 |
50 |
650 |
75 |
200 |
300 |
200 |
60 |
240 |
XYHZ25 |
|
| |
| 型号 |
L9 |
L10 |
L11 |
F |
B2 |
B3 |
B4 |
B5 |
B6 |
B7 |
B8 |
H2 |
H3 |
H4 |
H5 |
H6 |
H7 |
H8 |
| XYHZ6.3 |
250 |
250 |
790 |
15 |
70 |
145 |
562 |
93 |
300 |
290 |
490 |
222 |
530 |
136 |
700 |
118 |
470 |
190 |
| XYHZ10 |
| XYHZ16 |
410 |
410 |
1180 |
15 |
100 |
160 |
700 |
100 |
520 |
225 |
680 |
380 |
600 |
495 |
720 |
78 |
630 |
240 |
| XYHZ25 |
|
| |
| 表4 XYHZ6.3~XYHZ25装置尺寸 |
型号 |
L |
B |
H |
L1 |
B1 |
H1 |
DN |
L2 |
L3 |
L4 |
L5 |
L6 |
L7 |
L8 |
L9 |
L10 |
出油口 |
排油口 |
入出水口 |
回油口 |
XYHZ40 |
2000 |
1350 |
1530 |
1700 |
1200 |
950 |
32 |
32 |
32 |
65 |
730 |
130 |
360 |
450 |
900 |
80 |
400 |
450 |
450 |
XYHZ63 |
XYHZ100 |
2820 |
1660 |
1820 |
2500 |
1400 |
1000 |
50 |
50 |
50 |
80 |
800 |
200 |
500 |
700 |
600 |
120 |
400 |
300 |
1100 |
XYHZ125 |
|
| |
型号 |
L11 |
F |
B2 |
B3 |
B4 |
B5 |
B6 |
B7 |
B8 |
H2 |
H3 |
H4 |
H5 |
H6 |
H7 |
H8 |
A进 |
B进 |
螺 |
齿 |
摆 |
螺 |
摆 |
XYHZ40 |
1580 |
15 |
126 |
290 |
230 |
1070 |
130 |
750 |
720 |
720 |
310 |
1080 |
530 |
800 |
132 |
420 |
780 |
213 |
800 |
250 |
XYHZ63 |
XYHZ100 |
2400 |
22 |
100 |
210 |
125 |
1230 |
170 |
820 |
720 |
720 |
360 |
1300 |
630 |
850 |
820 |
380 |
760 |
290 |
630 |
350 |
XYHZ125 |
|
| |
| 表5 XYHZ160~XYHZ800装置尺寸 |
型号 |
L |
B |
H |
L1 |
B1 |
H1 |
DN |
L2 |
L3 |
L4 |
L5 |
L6 |
L7 |
L8 |
L9 |
出油口 |
排油口 |
入出水口 |
回油口 |
XYHZ160 |
3720 |
2050 |
2000 |
3000 |
1800 |
1200 |
65 |
65 |
65 |
125 |
950 |
250 |
675 |
775 |
1450 |
240 |
650 |
1500 |
XYHZ200 |
XYHZ250 |
3800 |
2400 |
2150 |
3300 |
2200 |
1300 |
80 |
80 |
65 |
150 |
1200 |
250 |
650 |
1000 |
1100 |
160 |
480 |
390 |
XYHZ315 |
XYHZ400 |
4330 |
2400 |
2510 |
3800 |
2200 |
1550 |
100 |
100 |
80 |
200 |
1000 |
400 |
750 |
1100 |
920 |
140 |
450 |
450 |
XYHZ500 |
XYHZ630 |
5700 |
2840 |
2600 |
5200 |
2600 |
1550 |
100 |
100 |
80 |
250 |
1300 |
400 |
1200 |
1300 |
950 |
150 |
900 |
450 |
XYHZ800 |
|
| |
型号 |
L10 |
L11 |
L12 |
L13 |
B2 |
B3 | B4 |
|
B5 |
B6 |
|
B7 |
H2 |
H3 |
H4 |
H5 |
|
H6 |
H7 |
H8 |
| A进 |
B进 |
螺 |
齿 |
螺 |
摆 |
XYHZ160 |
500 |
- |
- |
- |
150 |
150 |
- |
950 |
200 |
950 |
1000 |
460 |
780 |
1050 |
290 |
930 |
930 |
- |
930 |
350 |
XYHZ200 |
XYHZ250 |
390 |
780 |
390 |
390 |
150 |
170 |
500 |
1970 |
230 |
1180 |
1130 |
445 |
750 |
1150 |
240 |
630 |
1180 |
314 |
1200 |
400 |
XYHZ315 |
XYHZ400 |
450 |
1100 |
450 |
450 |
150 |
220 |
930 |
2000 |
200 |
1300 |
1300 |
210 |
840 |
1300 |
350 |
510 |
900 |
400 |
1280 |
390 |
XYHZ500 |
XYHZ630 |
450 |
1100 |
450 |
450 |
150 |
200 |
500 |
2370 |
230 |
1540 |
1140 |
600 |
820 |
1350 |
350 |
700 |
1400 |
405 |
1250 |
400 |
XYHZ800 |
|
注:1、表4、表5中对应下边的螺、齿、摆、代表意义: 螺-用螺杆泵装置;齿-用人字齿轮泵、斜齿轮泵装置; 摆-用摆线齿轮泵装置。
2、表中: A进-油温控制采用温调阀装置的进水管B4尺寸、H5尺寸。
B进-油温控制采用温调器装置的进水管B4尺寸、H5尺寸。
3、仅公称流量Q为 160、200、250、315、400、500L/min六个规格,有采用斜齿轮泵装置。 |
|
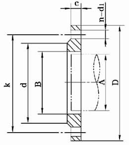
| 表6 法兰尺寸 |
DN |
A |
D |
K |
d |
C |
B |
n-d1 |
32 |
42.5 |
140 |
100 |
76 |
18 |
43.5 |
4-18 |
40 |
48.3 |
150 |
110 |
84 |
18 |
49.5 |
4-18 |
50 |
60.3 |
165 |
125 |
99 |
20 |
61.5 |
4-18 |
65 |
76.1 |
185 |
145 |
118 |
20 |
77.5 |
4-18 |
80 |
88.9 |
200 |
160 |
132 |
20 |
90.5 |
8-18 |
100 |
114.3 |
220 |
180 |
156 |
22 |
116 |
8-18 |
125 |
139.7 |
250 |
210 |
184 |
22 |
141.5 |
8-18 |
150 |
168.5 |
285 |
240 |
211 |
24 |
170.5 |
8-22 |
200 |
219.1 |
340 |
295 |
266 |
24 |
221.5 |
12-22 |
250 |
273.6 |
395 |
350 |
319 |
26 |
276.5 |
12-22 |
|
| 注:法兰尺寸符合GB9119.7的规定。 |
| |
| 六、标记方法 |
|
| |
七、装置标记示例
a)装置,公称流量6.3L/min,用温度调节器调温,供油泵用摆线齿轮泵,用继电器、接触器控制,不带压力罐装置的标记为:
XYHZ6.3-BBT稀油润滑装置JB/T8522-1997
b)装置,公称流量315L/min,用温度调节器调温,供油泵用人字齿轮油泵,用继电器、接触器控制,不带压力罐装置的标记为:
XYHZ315-BRT稀油润滑装置JB/T8522-1997
c)装置,公称流量500L/min,用温度调节器调温,供油泵用斜齿轮油泵,用继电器、接触器控制,不带压力罐装置的标记为:
XYHZ500-BXT稀油润滑装置JB/T8522-1997
d)装置,公称流量1000L/min,用调温阀调温,供油泵用螺杆泵,用PLC控制,带有压力罐装置的标记为:
XYHZ1000-ALPP稀油润滑装置JB/T8522-1997 |
| |
| |
| |
| |
| |
|
| |
|